No dude en contactarnos si tiene alguna pregunta o inquietud sobre los componentes hidráulicos.
Una bomba de paletas es una bomba de desplazamiento positivo que transfiere líquido mediante el movimiento giratorio y extensible de las paletas dentro de un rotor excéntrico. Ampliamente utilizada en sistemas industriales, automotrices e hidráulicos, se caracteriza por su alta eficiencia, baja pulsación y rendimiento estable, lo que la convierte en la opción ideal para sistemas hidráulicos de presión media a baja.
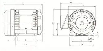
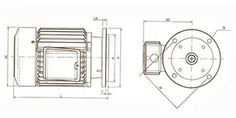
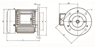
Diseñado específicamente para impulsar bombas hidráulicas, el motor eléctrico de eje hueco juega un papel crucial en aplicaciones industriales, particularmente en sistemas hidráulicos que requieren un control preciso y una salida potente.
Las válvulas hidráulicas de Noah son reconocidas por su rápida respuesta, control estable y larga vida útil. Esta serie de válvulas está diseñada específicamente para circuitos hidráulicos complejos, aplicables a campos como maquinaria de construcción, equipos metalúrgicos, líneas de producción automatizadas, máquinas herramienta y maquinaria para caucho y plástico. Sirven como componentes esenciales para controlar la dirección de actuadores hidráulicos (p. ej., cilindros y motores).

No dude en contactarnos si tiene alguna pregunta o inquietud sobre los componentes hidráulicos.
En primer lugar, se deben considerar los requisitos operativos específicos. El rendimiento de la bomba debe coincidir con los parámetros operativos del sistema. En segundo lugar, determine la compatibilidad del fluido o gas que bombea la máquina en términos de viscosidad, composición química, etc. También debe considerar la eficiencia o el consumo de energía de la bomba, ya que estos afectan directamente los costos operativos. Además, la bomba debe soportar condiciones de operación exigentes y un funcionamiento continuo. Finalmente, siga las especificaciones del fabricante o consulte a un experto para conocer las expectativas de rendimiento a largo plazo y las necesidades de mantenimiento.
Las bombas de paletas utilizan un lastre de gas para evitar que el vapor se condense dentro de la bomba durante el bombeo. Esto ayuda a mantener la eficiencia y la vida útil de la bomba, especialmente al trabajar con vapores y gases corrosivos.
Un vacuómetro es crucial en un sistema de bomba de paletas, ya que monitoriza los niveles de presión y garantiza que la bomba funcione dentro del rango de vacío requerido. Ayuda a mantener un rendimiento y una seguridad óptimos al proporcionar mediciones de vacío en tiempo real.
Sí, el par se puede ajustar variando la presión del sistema o utilizando motores con desplazamiento ajustable. Su distribuidor puede proporcionarle motores con desplazamiento ajustable y recomendarle válvulas de control de presión o reguladores para lograr el rendimiento deseado.
Para extender el cilindro, tire de la manija hacia afuera de la válvula. Al soltarla, el resorte de la válvula volverá a la posición neutra, deteniendo el cilindro. Neutro: El aceite circula desde la bomba, a través de la válvula y de regreso al tanque. Los puertos de trabajo están bloqueados. Para retraer el cilindro, empuje la manija hacia la válvula. Al soltarla, el resorte de la válvula volverá a la posición neutra.
Sí, las válvulas hidráulicas pueden requerir ajustes para optimizar el rendimiento del sistema, compensar el desgaste o adaptarse a las condiciones operativas cambiantes.
Puede determinar si una válvula hidráulica está abierta o cerrada verificando la posición del actuador, monitoreando los cambios en el flujo y la presión dentro del sistema o inspeccionando las marcas indicadoras en el cuerpo de la válvula.