Diseñado específicamente para impulsar bombas hidráulicas, el motor eléctrico de eje hueco juega un papel crucial en aplicaciones industriales, particularmente en sistemas hidráulicos que requieren un control preciso y una salida potente.
Sí, el par se puede ajustar variando la presión del sistema o utilizando motores con desplazamiento ajustable. Su distribuidor puede proporcionarle motores con desplazamiento ajustable y recomendarle válvulas de control de presión o reguladores para lograr el rendimiento deseado.
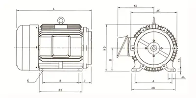
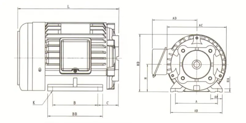
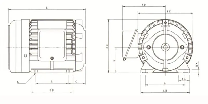
| 4P | 6P | Marco | Fase | Imagen | A | AA | AB | AC | AD | B | BB | C | H | HA | HD | K | L | Peso neto (kg) | |
| 1/2 | 1/4 | 80 | Trifásico | Imagen 1 | 125 | 35 | 155 | 175 | 138 | 100 | 130 | 51 | 80 | 10 | 170 | 10 | 230 | 13 | |
| 1 | 1/2 | 80 | Trifásico | 125 | 35 | 155 | 175 | 138 | 100 | 130 | 53.5 | 80 | 10 | 170 | 10 | 235 | 15.5 | ||
| 2 | 1 | 90L | Trifásico | 140 | 40 | 175 | 196 | 147 | 125 | 156 | 52 | 90 | 11 | 190 | 12 | 270 | 23.5 | ||
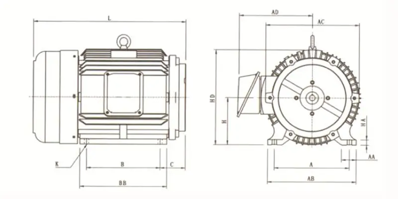
| 3 | 2 | 100L | Trifásico | Imagen 2 | 160 | 40 | 196 | 219 | 162 | 140 | 177 | 65 | 100 | 12 | 210 | 12 | 303 | 31.5 | |
| 5 | 3 | 112M | Trifásico | 190 | 40 | 228 | 235 | 164 | 140 | 172 | 57.5 | 112 | 13 | 230 | 12 | 290 | 38.5 | ||
| 71/2 | 5 | 132S | Trifásico | 216 | 45 | 250 | 268 | 191 | 140 | 175 | 77 | 132 | 16 | 266 | 12 | 345 | 60 | ||
| 10 | 71/2 | 132M | Trifásico | 216 | 45 | 250 | 268 | 191 | 178 | 213 | 75 | 132 | 16 | 266 | 12 | 378 | 70 | ||
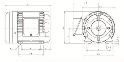
| 15 | 10 | 160M | Trifásico | Imagen 3 | 254 | 50 | 300 | 318 | 253 | 210 | 250 | 87 | 160 | 18 | 320 | 14 | 479 | 115 | |
| 20 | 15 | 160L | Trifásico | 254 | 50 | 300 | 318 | 253 | 254 | 300 | 87 | 160 | 18 | 320 | 14 | 523 | 140 | ||
| 25 | 30 | 20 | 180MC | Trifásico | 279 | 85 | 356 | 354 | 303 | 241 | 300 | 105 | 180 | 24 | 360 | 15 | 547 | 180/220 | |
| 40 | 2530 | 180LC | Trifásico | 279 | 85 | 356 | 354 | 303 | 279 | 330 | 105 | 180 | 24 | 360 | 15 | 585 | 240 | ||
| 1/2 | 80 | Monofásico | Imagen 1 | 125 | 35 | 155 | 175 | 138 | 100 | 130 | 53.5 | 80 | 10 | 170 | 10 | 265 | 15 | ||
| 1 | 90L | Monofásico | 140 | 40 | 175 | 196 | 155 | 125 | 157 | 52 | 90 | 12 | 190 | 10 | 290 | 24 | |||
| 2 | 90L | Monofásico | 140 | 40 | 175 | 196 | 155 | 125 | 157 | 64 | 100 | 12 | 190 | 10 | 300 | 28 | |||
| 3 | 112M | Monofásico | Imagen 1 | 190 | 45 | 228 | 228 | 174 | 140 | 175 | 73.5 | 112 | 12 | 230 | 12 | 385 | 425 | ||
| 5 | 112M | Monofásico | 190 | 45 | 224 | 245 | 185 | 140 | 175 | 95 | 112 | 14 | 230 | 12 | 420 | 48 | |||
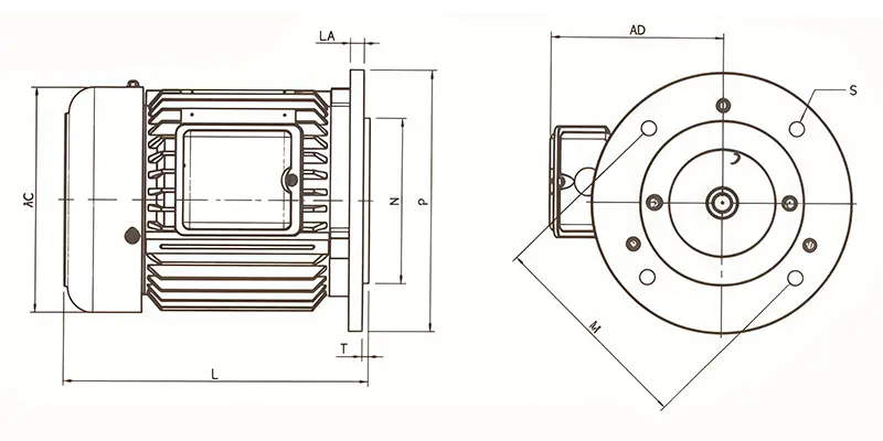
| 4P | 6P | Marco | Fase | AC | AD | L | LA | M | N | P | S | T | Peso neto (kg) |
| 1 | 1/2 | 80 | Trifásico | 177 | 139 | 248 | 10 | 180 | 130 | 205 | 12 | 12 | 16.5 |
| 1 | - | 90 | Monofásico | 195 | 154 | 280 | 10 | 200 | 130 | 230 | 12 | 10 | 24 |
| 2 | 1 | 90 | Trifásico | 195 | 148 | 258 | 10 | 200 | 130 | 230 | 12 | 10 | 24 |
| 2 | - | 90 | Monofásico | 196 | 155 | 306 | 10 | 200 | 130 | 230 | 12 | 10 | 30 |
| 3 | 2 | 112 | Trifásico | 230 | 166 | 285 | 11 | 215 | 180 | 250 | 14 | 9 | 32 |
| 7.5 | 5 | 132 | Trifásico | 268 | 195 | 345 | 13.5 | 265 | 230 | 300 | 15 | 5 | 61 |
| 10 | 7.5 | 132 | Trifásico | 268 | 195 | 380 | 13.5 | 265 | 230 | 300 | 15 | 5 | 71 |
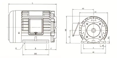
| 4P | 6P | Marco | Fase | AC | AD | L | LA | M | N | P | S | T | Peso neto (kg) |
| 1/2 | 1/4 | 71 | Trifásico | 157 | 130 | 257 | 11 | 130 | 110 | 160 | 11 | - | 12.5 |
| 1 | 1/2 | 80 | Trifásico | 177 | 135 | 282 | 12 | 165 | 130 | 200 | 12 | 13 | 17 |
| 3 | - | 112 | Monofásico | 230 | 163 | 335 | 12 | 215 | 180 | 250 | 15 | 4 | 42.5 |
| 5 | 3 | 112 | Trifásico | 230 | 163 | 318 | 10 | 215 | 180 | 250 | 15 | 4 | 40 |
| 15 | 10 | 160 | Trifásico | 318 | 250 | 509 | 20 | 300 | 250 | 350 | 19 | 5 | 106 |
| 20 | 15 | 160 | Trifásico | 318 | 250 | 553 | 20 | 300 | 250 | 350 | 19 | 5 | 130 |
