La bomba de engranajes internos de la serie HL utiliza un diseño de engranajes internos en forma de medialuna. Sus principales ventajas residen en su pulsación ultrabaja, su estructura compacta y su alta resistencia a la presión. Está diseñada específicamente para entornos que exigen sensibilidad al ruido, espacio limitado y un control preciso del caudal. Estas bombas se utilizan ampliamente en sectores de alta gama, como sistemas hidráulicos de máquinas herramienta, maquinaria de caucho y plástico, maquinaria de construcción y maquinaria agrícola, y son especialmente adecuadas para la transferencia eficiente de medios de baja viscosidad (p. ej., aceites sintéticos y agua-glicoles).
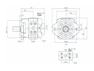
| Modelo de bomba | A1 | A2 | A3 | A4 | A5 | A6 | A7 | P | A8 | A9 |
|
|
101.5 | 52.5 | 96 | 51 | 100.6 | 47 | 5.8 | Ø9 | 38.1 | 17.5 |
|
|
105.5 | 54.5 | 96 | 51 | 100.6 | 47 | 5.8 | Ø11 | 38.1 | 17.5 |
|
|
108.5 | 56 | 96 | 51 | 100.6 | 47 | 5.8 | Ø11 | 38.1 | 17.5 |
|
|
113 | 58.25 | 96 | 51 | 100.6 | 47 | 5.8 | Ø13 | 38.1 | 17.5 |
|
|
118 | 60.75 | 96 | 51 | 100.6 | 47 | 6.2 | Ø13 | 38.1 | 17.5 |
|
|
117.5 | 59.25 | 99.6 | 49.8 | 106.6 | 55.8 | 6.2 | Ø13 | 38.1 | 17.5 |
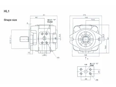
| Modelo de bomba | A1 | A2 | P | A3 | A4 | A5 | S | A6 | A7 | A8 |
|
|
139 | 73 | Ø18 | 47.6 | 22.2 | M10 profundidad 17 | Ø32 | 58.7 | 30.2 | M10 profundidad 17 |
|
|
146 | 76.5 | Ø18 | 47.6 | 22.2 | M10 profundidad 17 | Ø32 | 58.7 | 30.2 | M10 profundidad 17 |
|
|
153 | 80 | Ø20 | 52.4 | 26.2 | M10 profundidad 17 | Ø32 | 58.7 | 30.2 | M10 profundidad 17 |
|
|
163 | 85 | Ø20 | 52.4 | 26.2 | M10 profundidad 17 | Ø32 | 58.7 | 30.2 | M10 profundidad 17 |
|
|
177 | 92 | Ø20 | 52.4 | 26.2 | M10 profundidad 17 | Ø32 | 58.7 | 30.2 | M10 profundidad 17 |
| Modelo de bomba | A1 | A2 | P | A3 | A4 | A5 | S | A6 | A7 | A8 |
|
|
204 | 109.5 | Ø32 | 69.9 | 35.7 | M12 profundidad 20 | Ø50 | 77.8 | 42.9 | M12 profundidad 20 |
|
|
213 | 114 | Ø32 | 69.9 | 35.7 | M12 profundidad 20 | Ø50 | 77.8 | 42.9 | M12 profundidad 20 |
|
|
225 | 120 | Ø38 | 79.4 | 36.5 | M16 profundidad 25 | Ø63.5 | 88.9 | 50.8 | M12 profundidad 20 |
|
|
243 | 129 | Ø38 | 79.4 | 36.5 | M16 profundidad 25 | Ø76 | 106.4 | 61.9 | M16 profundidad 25 |
| Modelo de bomba | A1 | A2 | Tamaño de la bomba trasera | |||||
| 13 | 16 | 20 | ||||||
| A3 | A4 | A3 | A4 | A3 | A4 | |||
|
|
73 | 164.5 | 165.8 | 297 | 168.5 | 302.5 | 172.5 | 310.5 |
|
|
76.5 | 171.5 | 169.3 | 304 | 172 | 309.5 | 176 | 317.5 |
|
|
80 | 178.5 | 172.8 | 311 | 175.5 | 316.5 | 179.5 | 324.5 |
|
|
85 | 188.5 | 177.8 | 321 | 180.5 | 326.5 | 184.5 | 334.5 |
|
|
92 | 202.5 | 184.8 | 335 | 187.5 | 340.5 | 191.5 | 348.5 |
| Modelo de bomba | A1 | A2 | Tamaño de la bomba trasera | |||||||||
| 3.5 | 05 | 6.3 | 08 | 10 | ||||||||
| A3 | A4 | A3 | A4 | A3 | A4 | A3 | A4 | A3 | A4 | |||
|
|
73 | 164.5 | 159 | 281 | 161 | 285 | 162.5 | 288 | 164.8 | 292.5 | 167.3 | 297.5 |
|
|
76.5 | 171.5 | 162.5 | 288 | 164.5 | 292 | 166 | 295 | 168.3 | 299.5 | 170.8 | 304.5 |
|
|
80 | 178.5 | 166 | 295 | 168 | 299 | 169.5 | 302 | 171.8 | 306.5 | 174.3 | 311.5 |
|
|
85 | 188.5 | 171 | 305 | 173 | 309 | 174.5 | 312 | 176.8 | 316.5 | 179.3 | 321.5 |
|
|
92 | 202.5 | 178 | 319 | 180 | 323 | 181.5 | 326 | 183.8 | 330.5 | 186.3 | 335.5 |
| Modelo de bomba | A1 | A2 | Tamaño de la bomba trasera | |||||||||
| 25 | 32 | 40 | 50 | 63 | ||||||||
| A3 | A4 | A3 | A4 | A3 | A4 | A3 | A4 | A3 | A4 | |||
|
|
73 | 168 | 175 | 314 | ||||||||
|
|
76.5 | 175 | 178.5 | 321 | 182 | 328 | ||||||
|
|
80 | 182 | 182 | 328 | 185.5 | 335 | 189 | 342 | ||||
|
|
85 | 192 | 187 | 338 | 190.5 | 345 | 194 | 352 | 199 | 362 | ||
|
|
92 | 206 | 194 | 352 | 197.5 | 359 | 201 | 366 | 206 | 376 | 213 | 390 |
Una bomba de engranajes internos consta de un engranaje interior y uno exterior, separados por un divisor en forma de medialuna. El engranaje interior gira dentro del exterior, atrapando el fluido en los espacios entre los engranajes y el divisor, moviéndolo desde la entrada hasta la salida.
La velocidad máxima es de 3600 r/min. Las velocidades altas suelen ser adecuadas para fluidos de alta viscosidad, transferencia y medición de precisión, y aplicaciones de petróleo y gas.
La velocidad mínima es de 200 r/min. Las velocidades bajas se suelen aplicar en sistemas de lubricación e hidráulicos.
Limpie el sistema regularmente para eliminar la suciedad y los depósitos. Revise periódicamente la limpieza y la viscosidad del lubricante para asegurar el correcto funcionamiento del sistema de lubricación. Durante el uso diario, preste atención a cualquier vibración o ruido anormal. Realice el mantenimiento de los componentes de la transmisión de la bomba de engranajes e inspeccione y ajuste la válvula de seguridad. Durante el funcionamiento de la bomba de engranajes, supervise regularmente sus parámetros de funcionamiento, incluyendo el caudal, la presión y la temperatura.
Las bombas de engranajes internos ofrecen numerosas ventajas, lo que las convierte en la opción preferida en muchas industrias. Entre sus principales ventajas se incluyen: alta eficiencia, capacidad de autocebado, estructura robusta, amplio rango de viscosidad, funcionamiento silencioso, control preciso del caudal y bajo mantenimiento.
Debido a sus características y ventajas únicas, las bombas de engranajes internos se utilizan ampliamente en diversas industrias. Entre sus aplicaciones más comunes se incluyen: procesamiento químico, alimentos y bebidas, productos farmacéuticos, petróleo y gas, y pulpa y papel.
Para elegir la bomba de engranajes internos adecuada para su aplicación es necesario tener en cuenta factores como la viscosidad del fluido, los requisitos de flujo, las condiciones de temperatura, la compatibilidad del material y las necesidades de mantenimiento.
En Noah hemos invertido en equipos de procesamiento de precisión de clase mundial, creando una plataforma de fabricación moderna y altamente eficiente.



No dude en contactarnos si tiene alguna pregunta o inquietud sobre los componentes hidráulicos.