
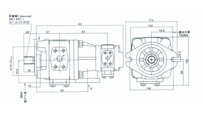
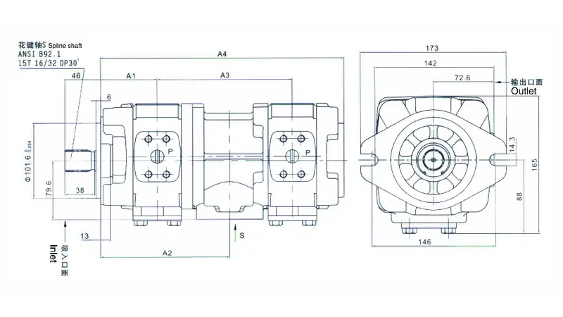
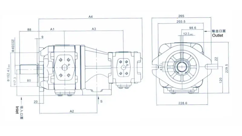
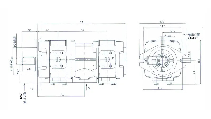
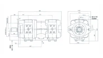
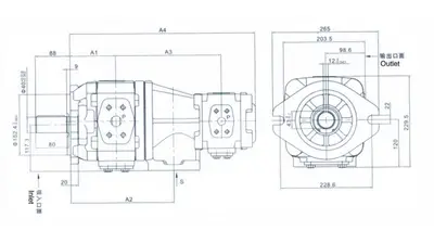
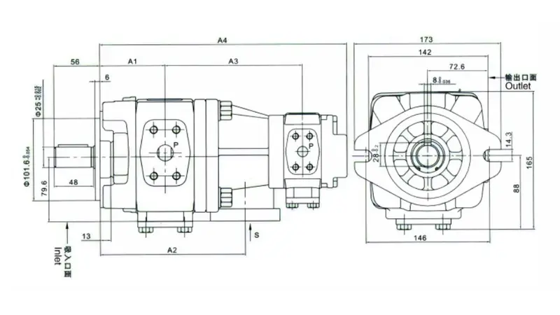
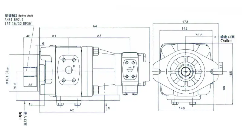
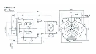
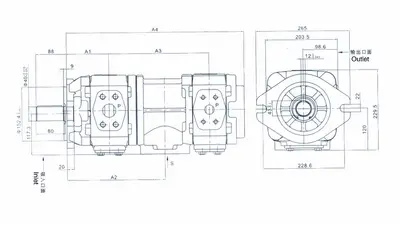
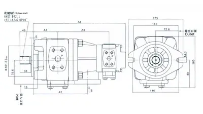
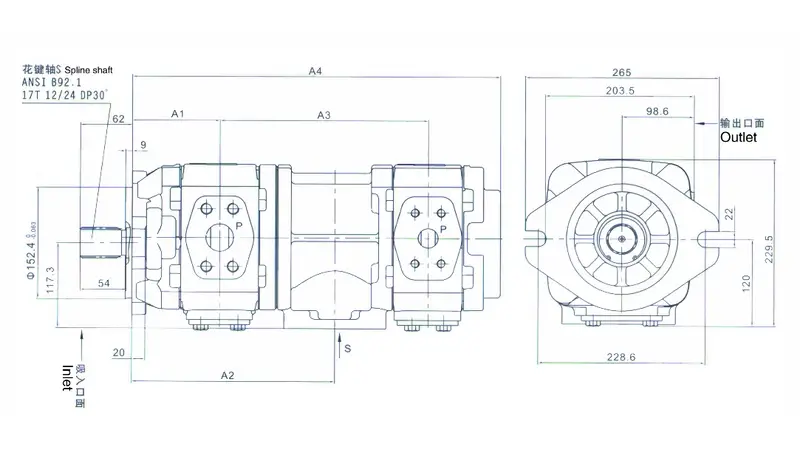
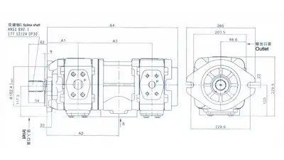
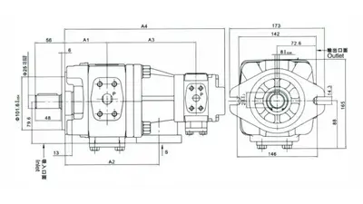
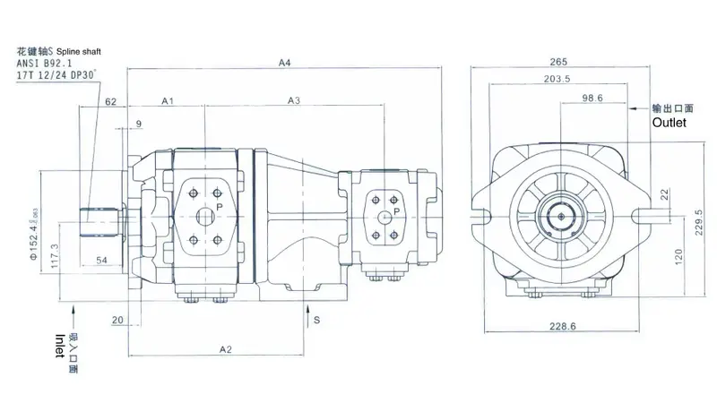
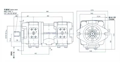
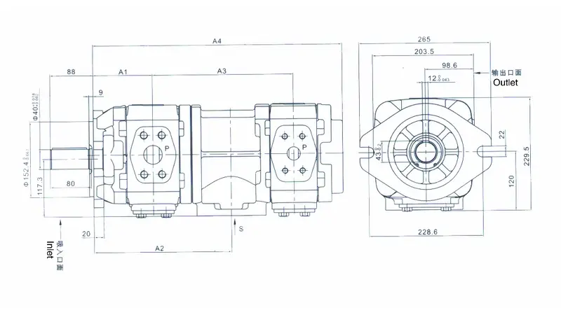
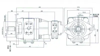
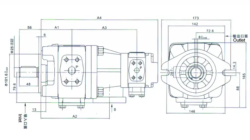
La bomba doble (bomba tándem) consta de dos bombas simples ensambladas en serie. Cuenta con un puerto de entrada común y dos puertos de salida que pueden alimentar dos circuitos independientes. Se pueden lograr diversos desplazamientos combinando diferentes series de bombas.
| Modelo de bomba | A1 | A2 | Tamaño de la bomba trasera | |||||
| 13 | 16 | 20 | ||||||
| A3 | A4 | A3 | A4 | A3 | A4 | |||
|
|
73 | 164.5 | 165.8 | 297 | 168.5 | 302.5 | 172.5 | 310.5 |
|
|
76.5 | 171.5 | 169.3 | 304 | 172 | 309.5 | 176 | 317.5 |
|
|
80 | 178.5 | 172.8 | 311 | 175.5 | 316.5 | 179.5 | 324.5 |
|
|
85 | 188.5 | 177.8 | 321 | 180.5 | 326.5 | 184.5 | 334.5 |
|
|
92 | 202.5 | 184.8 | 335 | 187.5 | 340.5 | 191.5 | 348.5 |
| Modelo de bomba | A1 | A2 | Tamaño de la bomba trasera | |||||||||
| 3.5 | 05 | 6.3 | 08 | 10 | ||||||||
| A3 | A4 | A3 | A4 | A3 | A4 | A3 | A4 | A3 | A4 | |||
|
|
73 | 164.5 | 159 | 281 | 161 | 285 | 162.5 | 288 | 164.8 | 292.5 | 167.3 | 297.5 |
|
|
76.5 | 171.5 | 162.5 | 288 | 164.5 | 292 | 166 | 295 | 168.3 | 299.5 | 170.8 | 304.5 |
|
|
80 | 178.5 | 166 | 295 | 168 | 299 | 169.5 | 302 | 171.8 | 306.5 | 174.3 | 311.5 |
|
|
85 | 188.5 | 171 | 305 | 173 | 309 | 174.5 | 312 | 176.8 | 316.5 | 179.3 | 321.5 |
|
|
92 | 202.5 | 178 | 319 | 180 | 323 | 181.5 | 326 | 183.8 | 330.5 | 186.3 | 335.5 |
| Modelo de bomba | A1 | A2 | Tamaño de la bomba trasera | |||||||||
| 25 | 32 | 40 | 50 | 63 | ||||||||
| A3 | A4 | A3 | A4 | A3 | A4 | A3 | A4 | A3 | A4 | |||
|
|
73 | 168 | 175 | 314 | ||||||||
|
|
76.5 | 175 | 178.5 | 321 | 182 | 328 | ||||||
|
|
80 | 182 | 182 | 328 | 185.5 | 335 | 189 | 342 | ||||
|
|
85 | 192 | 187 | 338 | 190.5 | 345 | 194 | 352 | 199 | 362 | ||
|
|
92 | 206 | 194 | 352 | 197.5 | 359 | 201 | 366 | 206 | 376 | 213 | 390 |
| Modelo de bomba | A1 | A2 | Tamaño de la bomba trasera | |||||||||
| 25 | 32 | 40 | 50 | 63 | ||||||||
| A3 | A4 | A3 | A4 | A3 | A4 | A3 | A4 | A3 | A4 | |||
|
|
109.5 | 249.5 | 241.5 | 417 | 245 | 424 | 248.5 | 431 | 253.5 | 441 | 260.5 | 455 |
|
|
114 | 258.5 | 246 | 426 | 249.5 | 433 | 253 | 440 | 258 | 450 | 265 | 464 |
|
|
120 | 270.5 | 252 | 438 | 255.5 | 445 | 259 | 452 | 264 | 462 | 271 | 476 |
|
|
129 | 288.5 | 261 | 456 | 264.5 | 463 | 268 | 470 | 273 | 480 | 280 | 494 |
| Modelo de bomba | A1 | A2 | Tamaño de la bomba trasera | |||||||
| 80 | 100 | 125 | 160 | |||||||
| A3 | A4 | A3 | A4 | A3 | A4 | A3 | A4 | |||
|
|
109.5 | 249.5 | 270 | 474 | ||||||
|
|
114 | 258.5 | 274.5 | 483 | 279 | 492 | ||||
|
|
120 | 270.5 | 280.5 | 495 | 285 | 504 | 291 | 516 | ||
|
|
129 | 288.5 | 289.5 | 513 | 294 | 522 | 300 | 534 | 309 | 552 |

Limpie el sistema regularmente para eliminar la suciedad y los depósitos. Revise periódicamente la limpieza y la viscosidad del lubricante para asegurar el correcto funcionamiento del sistema de lubricación. Durante el uso diario, preste atención a cualquier vibración o ruido anormal. Realice el mantenimiento de los componentes de la transmisión de la bomba de engranajes e inspeccione y ajuste la válvula de seguridad. Durante el funcionamiento de la bomba de engranajes, supervise regularmente sus parámetros de funcionamiento, incluyendo el caudal, la presión y la temperatura.
Las bombas de engranajes internos ofrecen numerosas ventajas, lo que las convierte en la opción preferida en muchas industrias. Entre sus principales ventajas se incluyen: alta eficiencia, capacidad de autocebado, estructura robusta, amplio rango de viscosidad, funcionamiento silencioso, control preciso del caudal y bajo mantenimiento.
Debido a sus características y ventajas únicas, las bombas de engranajes internos se utilizan ampliamente en diversas industrias. Entre sus aplicaciones más comunes se incluyen: procesamiento químico, alimentos y bebidas, productos farmacéuticos, petróleo y gas, y pulpa y papel.