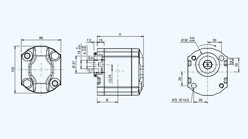
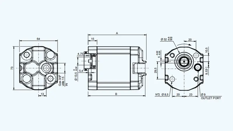
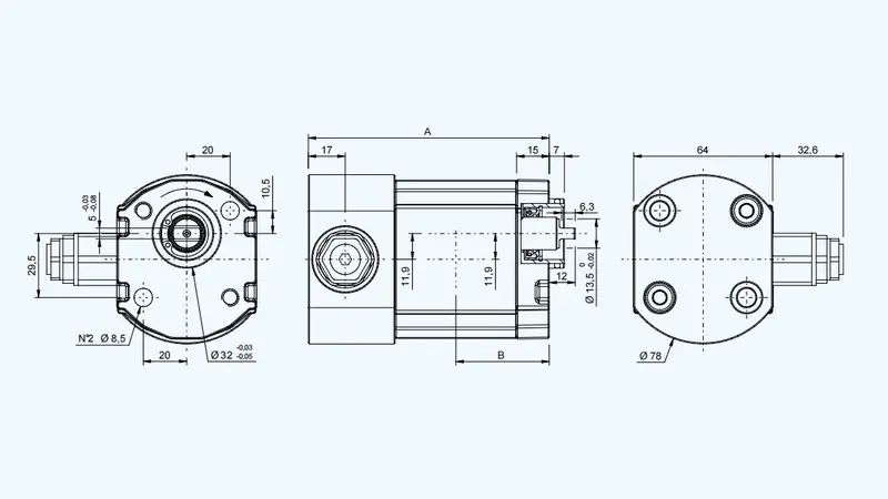
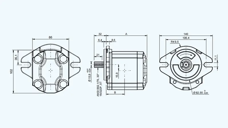
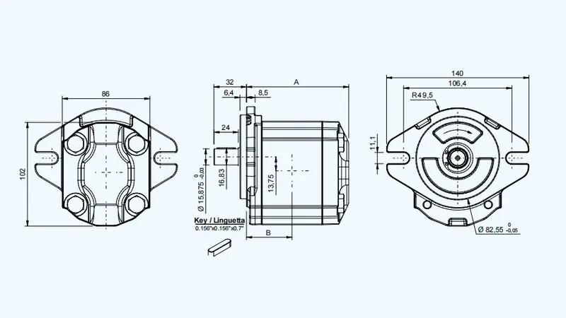
Las bombas de engranajes de arco circular ultrasilenciosas de la serie US de Noah son componentes hidráulicos industriales diseñados para aplicaciones que requieren bajo nivel de ruido, alta eficiencia y larga vida útil. Esta serie de bombas utiliza tecnología de engranajes helicoidales y un diseño optimizado del canal de flujo, lo que reduce significativamente la pulsación de presión y el ruido de funcionamiento, a la vez que mantiene una alta eficiencia volumétrica y fiabilidad. Se utilizan ampliamente en equipos de precisión sensibles al ruido, maquinaria médica, líneas de producción automatizadas y aplicaciones similares.
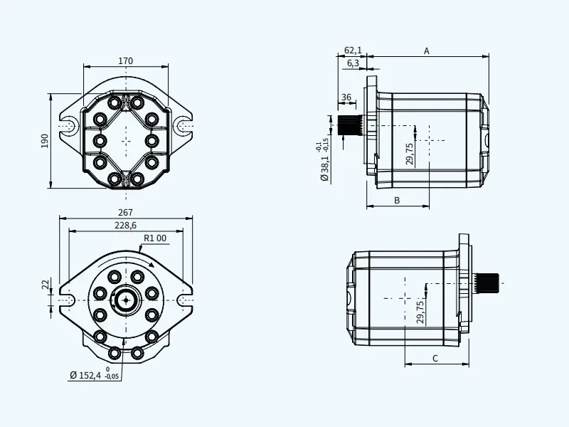
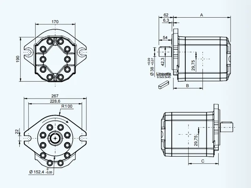
| Tipo de brida y eje de transmisión | Desplazamiento (cc/rev) | Flujo (L/min) | Dimensión A (mm) | Dimensión B (mm) | Presión continua (bar) | Presión intermitente (bar) | Presión máxima (bar) | Nivel de ruido (dBA) |
| 50 | 505 | 727 | 1,795 | 8,150 | 275 | 280 | 300 | 57 |
| 63 | 635 | 914 | 1,885 | 8,600 | 249 | 260 | 280 | 57 |
| 75 | 750 | 1,081 | 1,965 | 9,000 | 229 | 250 | 270 | 57 |
| 90 | 909 | 1,309 | 2,075 | 955 | 178 | 240 | 260 | 57 |
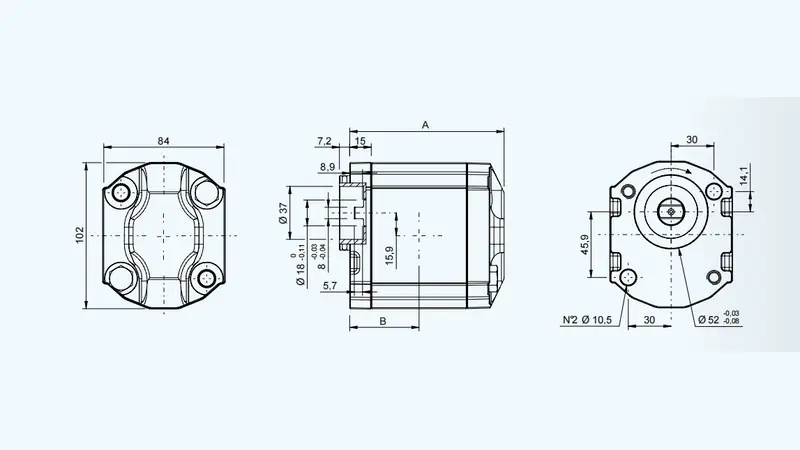
| Tipo de brida y eje de transmisión | Desplazamiento (cc/rev) | Flujo (L/min) | Dimensión A (mm) | Dimensión B (mm) | Dimensión C (mm) | Presión continua (bar) | Presión intermitente (bar) | Presión máxima (bar) | Nivel de ruido (dBA) | |
| 0 | OE | |||||||||
| 50 | 505 | 727 | 1,570 | 705 | 70,5 70,5 | 275 | 280 | 300 | 57 | |
| 63 | 635 | 914 | 1,660 | 750 | 785 | 750 | 249 | 260 | 280 | 57 |
| 75 | 750 | 1,081 | 1,740 | 790 | 825 | 790 | 229 | 250 | 270 | 57 |
| 90 | 909 | 1,309 | 1,850 | 845 | 88,0 84,5 | 178 | 240 260 | 57 | ||
No. Nuestra bomba de engranajes silenciosa utiliza tecnología de engranajes helicoidales de engranaje progresivo, con un ruido operativo tan bajo como 55-60 dB(A), lo que la hace especialmente adecuada para salas quirúrgicas y entornos médicos sensibles al ruido.
Sí, es adecuada. Esta serie de bombas presenta una estructura compacta y un tamaño reducido, lo que facilita su instalación en espacios reducidos. Su diseño silencioso y con reducción de ruido la hace ideal para entornos con equipos como resonancias magnéticas y tomografías computarizadas, que requieren un espacio y un nivel de ruido estrictos.
Es muy adecuada. La bomba de engranajes silenciosa ofrece una alta eficiencia volumétrica, una amplia adaptabilidad a diversos medios de viscosidad y un amplio rango de temperatura de funcionamiento, lo que la convierte en una fuente de energía ideal para sistemas de refrigeración y lubricación en equipos CNC de alta precisión.
Nuestra bomba de engranajes silenciosa ofrece una alta respuesta de par de arranque y una alta eficiencia volumétrica, lo que la hace especialmente adecuada para aplicaciones de bajo ruido y alta respuesta, como carretillas elevadoras eléctricas y vehículos autoguiados (AGV). Sus tipos de eje de transmisión, incluyendo chavetero, estriado y conexiones de acoplamiento, le permiten adaptarse con flexibilidad a diversos motores hidráulicos y servomotores convencionales.
