
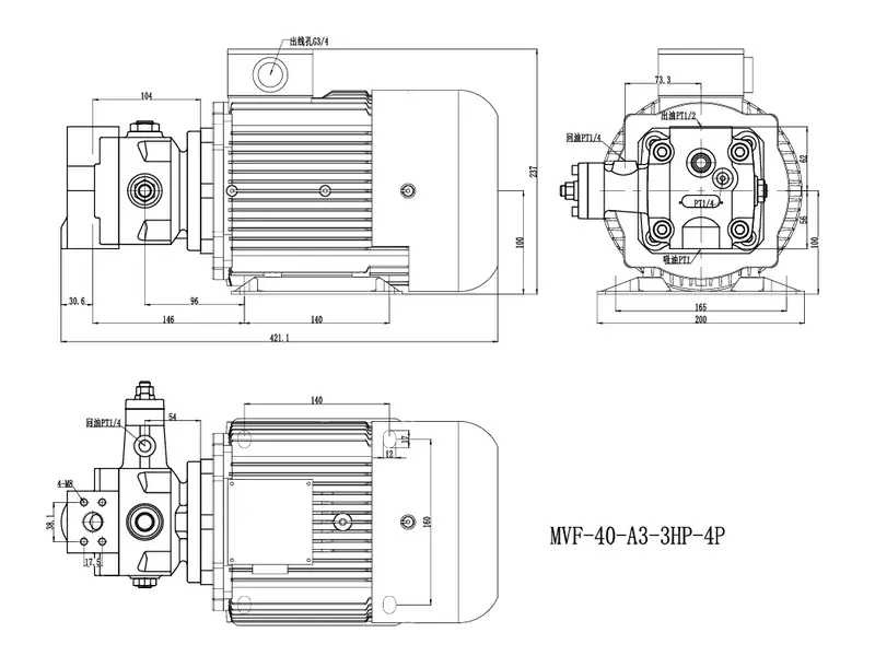
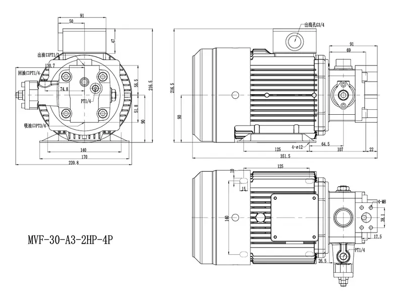
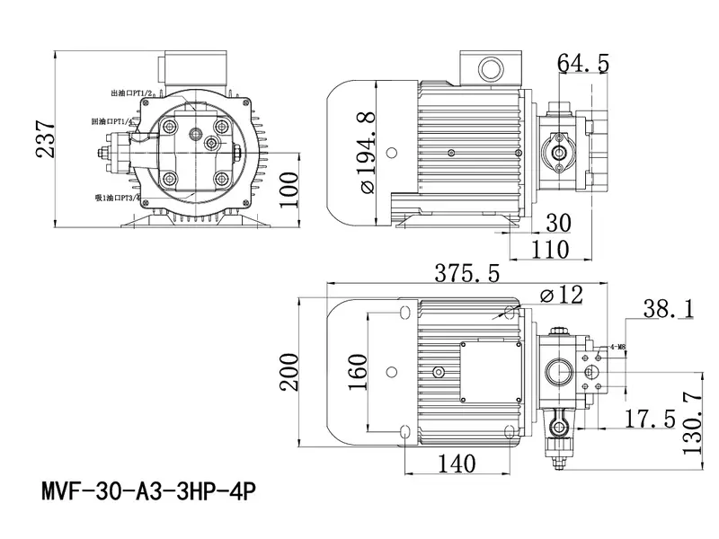
Nuestros conjuntos de bombas y motores combinan bombas de paletas eficientes con motores de alto rendimiento, diseñados para aplicaciones industriales para proporcionar una excelente transferencia de fluidos.
| General | Tipo: Motor de inducción de jaula trifásico (SCIM) |
| Voltaje: Se puede fabricar para voltajes en todo el mundo. | |
| Frecuencia: Frecuencia nominal 50Hz o 60Hz (especificación común 50Hz/60Hz disponible para 5HP y menores) | |
| Potencia de salida: 1~3HP | |
| Clasificación de tiempo: Uso continuo dentro del par nominal | |
| Método de enfriamiento: Refrigeración por ventilador totalmente cerrado (TEFC) | |
| Clase de protección: Totalmente cerrado (IP54) | |
| Rango aplicable | Fuente de alimentación: Tasa de fluctuación de voltaje: dentro de ±10%, Tasa de fluctuación de frecuencia: dentro de ±5% |
| Entorno de funcionamiento: Entorno interior general, temperatura ambiente: -10℃ ~ 40℃, humedad: por debajo del 90% de HR. | |
| Método de accionamiento: Conexión directa mediante accionamiento de acoplamiento de eje de chaveta única | |
| Rotación: Rotación hacia adelante | |
| Características | Método de prueba: Basado en la Comisión Electrotécnica Internacional (IEC34), Norma Nacional China (CNS10919), probado con arranque a voltaje completo |
| Aumento de temperatura: Aumento de temperatura del devanado del estator: por debajo de 75℃ por método de resistencia, factor de servicio (F.S.) 1.0 | |
| Característica de sobrevelocidad: 4P para una velocidad sincrónica del 125% durante 1 minuto, 6P para una velocidad sincrónica del 150% durante 1 minuto | |
| Característica de sobrepar: 160% del par nominal durante 20 segundos |
Esta unidad ofrece una calidad estable y una larga durabilidad. Los motores están diseñados para funcionar a plena carga por encima de los valores estándar, y el acero del eje cuenta con tratamiento térmico para resistir altas presiones y prolongar su vida útil. Se pueden fabricar especificaciones personalizadas según los requisitos del cliente.
| General | Tipo: Motor de inducción de jaula trifásico (SCIM) |
| Voltaje: Se puede fabricar para voltajes en todo el mundo. | |
| Frecuencia: Frecuencia nominal 50Hz o 60Hz (especificación común 50Hz/60Hz disponible para 5HP y menores) | |
| Potencia de salida: 1/2~10HP Tamaño del marco: 71-132 | |
| Clasificación de tiempo: Uso continuo dentro del par nominal | |
| Método de enfriamiento: Refrigeración por ventilador totalmente cerrado (TEFC) | |
| Clase de protección: Totalmente cerrado (IP54) | |
| Rango aplicable | Fuente de alimentación: Tasa de fluctuación de voltaje: dentro de ±10%, Tasa de fluctuación de frecuencia: dentro de ±5% |
| Entorno de funcionamiento: Entorno interior general, temperatura ambiente: -10℃ ~ 40℃, humedad: por debajo del 90% de HR. | |
| Método de accionamiento: Conexión directa mediante accionamiento de acoplamiento de eje de chaveta única | |
| Rotación: Rotación hacia adelante | |
| Características | Método de prueba: Basado en la Comisión Electrotécnica Internacional (IEC34), Norma Nacional China (CNS10919), probado con arranque a voltaje completo |
| Aumento de temperatura: Aumento de temperatura del devanado del estator: por debajo de 75℃ por método de resistencia, factor de servicio (F.S.) 1.0 | |
| Característica de sobrevelocidad: 4P para una velocidad sincrónica del 125% durante 1 minuto, 6P para una velocidad sincrónica del 150% durante 1 minuto | |
| Característica de sobrepar: 160% del par nominal durante 20 segundos |
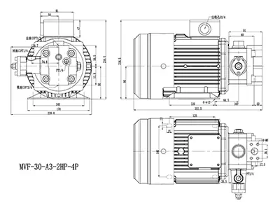
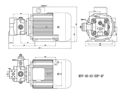
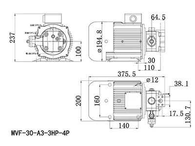
| A | AA | AD | B | C | D | H | h | L | |
|
|
125 | 158 | 136 | 100 | 76.3 | 69.5 | 80 | 216 | 337 |
|
|
125 | 158 | 136 | 100 | 78.7 | 95.5 | 80 | 227 | 365 |
|
|
125 | 158 | 136 | 100 | 76.3 | 69.5 | 80 | 216 | 410 |
|
|
140 | 177 | 145 | 125 | 73.5 | 69.5 | 90 | 226 | 364 |
|
|
140 | 177 | 145 | 125 | 75.4 | 95.5 | 90 | 237 | 392 |
|
|
140 | 177 | 145 | 125 | 75.4 | 95.5 | 90 | 237.4 | 476 |
|
|
140 | 177 | 145 | 125 | 104 | 104 | 90 | 188 | 430 |
|
|
160 | 200 | 157 | 140 | 88.4 | 95.5 | 100 | 247 | 427.4 |
|
|
160 | 200 | 157 | 140 | 88.4 | 95.4 | 100 | 247 | 511.4 |
