
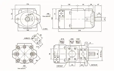
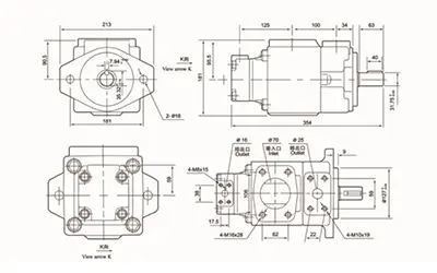
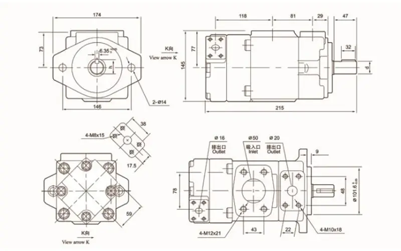
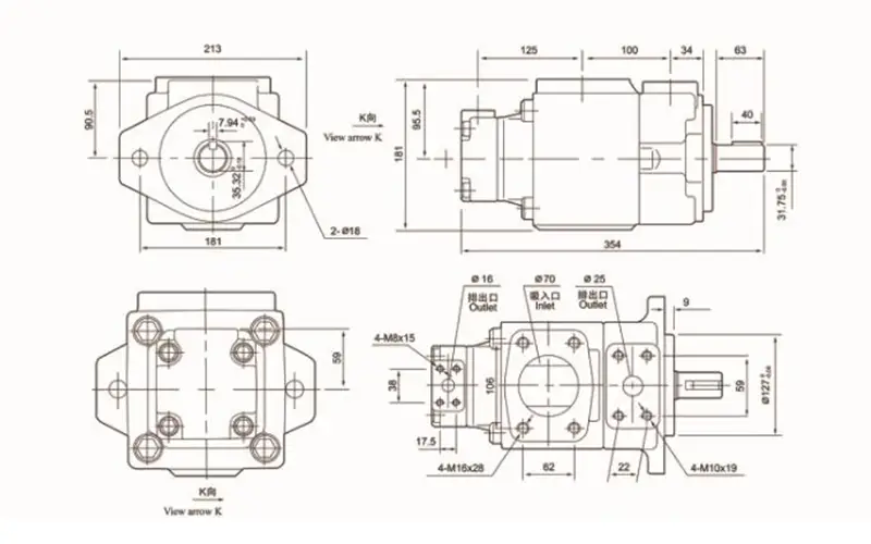
Esta serie se compone de dos bombas de paletas de alta presión, diseñadas para proporcionar una doble fuente hidráulica para circuitos hidráulicos que requieren dos acciones simultáneas. Cuenta con un solo puerto de succión, lo que ahorra tuberías, simplifica su uso y reduce costos.
| Modelo | Capacidad de entrega (cc/rev) | Max. presión (kgf/cm²) | Velocidad (rpm) | ||||
| Max. | Min. | ||||||
| a 1000rpm | a 1200rpm | a 1500rpm | a 1800rpm | ||||
|
|
6.2 | 7.4 | 9.3 | 11.2 | 210 | 1800 | 1200 |
|
|
8.1 | 9.7 | 12.1 | 14.6 | 210 | 1800 | 950 |
|
|
10.1 | 12.1 | 15.1 | 18.9 | 245 | 1800 | 950 |
|
|
12.2 | 14.6 | 18.3 | 21.9 | 245 | 1800 | 950 |
|
|
13.6 | 17.1 | 21.5 | 25.7 | 245 | 1800 | 950 |
|
|
16.6 | 20.5 | 25.6 | 30.7 | 245 | 1800 | 950 |
|
|
18.6 | 23 | 28.8 | 34.5 | 245 | 1800 | 950 |
|
|
22.7 | 27.9 | 34.9 | 41.9 | 245 | 1800 | 950 |
|
|
25.3 | 31.3 | 39.1 | 46.9 | 245 | 1800 | 950 |
|
|
31 | 37.3 | 46.6 | — | 245 | 1500 | 950 |
|
|
26.2 | 31.4 | 39.3 | 47.1 | 245 | 1800 | 950 |
|
|
33 | 38.5 | 48.1 | 57.7 | 245 | 1800 | 950 |
|
|
38.2 | 45.8 | 57.3 | 68.7 | 245 | 1800 | 950 |
|
|
41.3 | 49.2 | 61.5 | 73.8 | 210 | ||
|
|
47.2 | 57.8 | 71.4 | 86.7 | 245 | 1800 | 950 |
|
|
53.1 | 63.7 | 79.6 | 95.5 | 245 | 1800 | 950 |
|
|
60.2 | 72.7 | 90.3 | 108.3 | 210 | 1800 | 950 |
|
|
65.3 | 78.3 | 97.9 | 117.5 | 210 | 1800 | 950 |
