
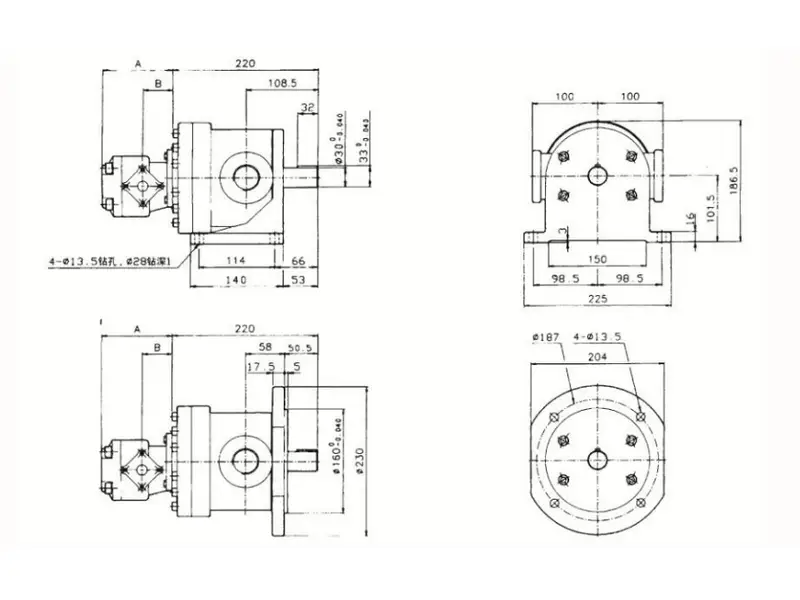
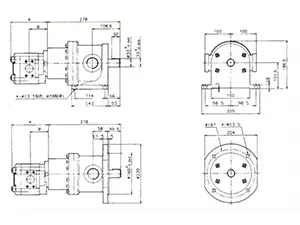
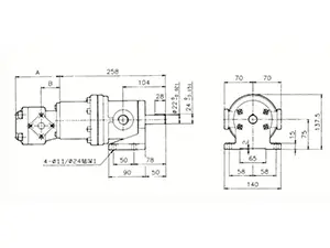
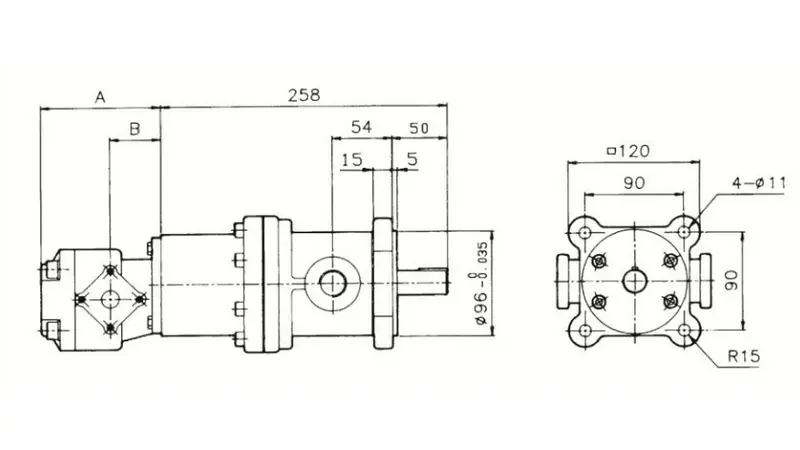
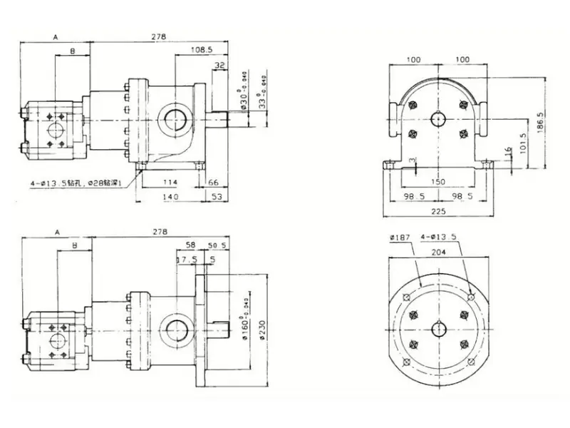
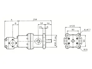
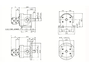
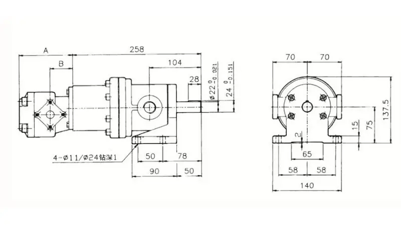
Esta bomba utiliza una bomba de paletas de desplazamiento fijo de gran caudal y bajo nivel de ruido para formar una bomba de alta-baja presión. Puede integrarse en un sistema de circuito de alta-baja presión con un solo motor, lo que ahorra energía eficazmente.
| Modelo | Capacidad de entrega (cc/rev) | Max. presión (kgf/cm²) | Velocidad (rpm) | ||||
| Max. | Min. | ||||||
| a 1000rpm | a 1200rpm | a 1500rpm | a 1800rpm | ||||
|
|
— | 8.2 | 10.3 | 12.5 | 70 | 1800 | 950 |
|
|
12 | 14.4 | 18 | 21.6 | 70 | 1800 | 950 |
|
|
14.6 | 17.5 | 21.7 | 26.1 | 70 | 1800 | 950 |
|
|
17 | 20.3 | 25.5 | 31.5 | 70 | 1800 | 950 |
|
|
20 | 23.8 | 29.8 | 36.7 | 70 | 1800 | 950 |
|
|
23 | 27.6 | 34.5 | 41.4 | 70 | 1800 | 950 |
|
|
26.2 | 31.4 | 39.3 | 47.2 | 70 | 1800 | 950 |
|
|
30.1 | 3.1 | 45.2 | 54 | 70 | 1800 | 950 |
|
|
36.2 | 41.4 | 54.3 | 64 | 70 | 1500 | 950 |
|
|
41.5 | 49.4 | 62 | 74.5 | 70 | 1200 | 950 |
|
|
43 | 51.6 | — | — | 70 | 1500 | 950 |
|
|
48.3 | 57.9 | 72.4 | 86.9 | 70 | 1800 | 900 |
|
|
61.5 | 73.8 | 92.2 | 110.7 | 70 | 1800 | 900 |
|
|
75.5 | 90.6 | 113.2 | 135.9 | 70 | 1500 | 900 |
|
|
94.2 | 113 | 141.3 | 168 | 70 | 1500 | 900 |
|
|
116.3 | 139.6 | 174 | — | 70 | 1200 | 900 |
